FPGA MIDI Synthesizer
A polyphonic synthesizer that interfaces with MIDI instruments, all running on a custom soft-core FPGA
A polyphonic synthesizer that interfaces with MIDI instruments, all running on a custom soft-core FPGA
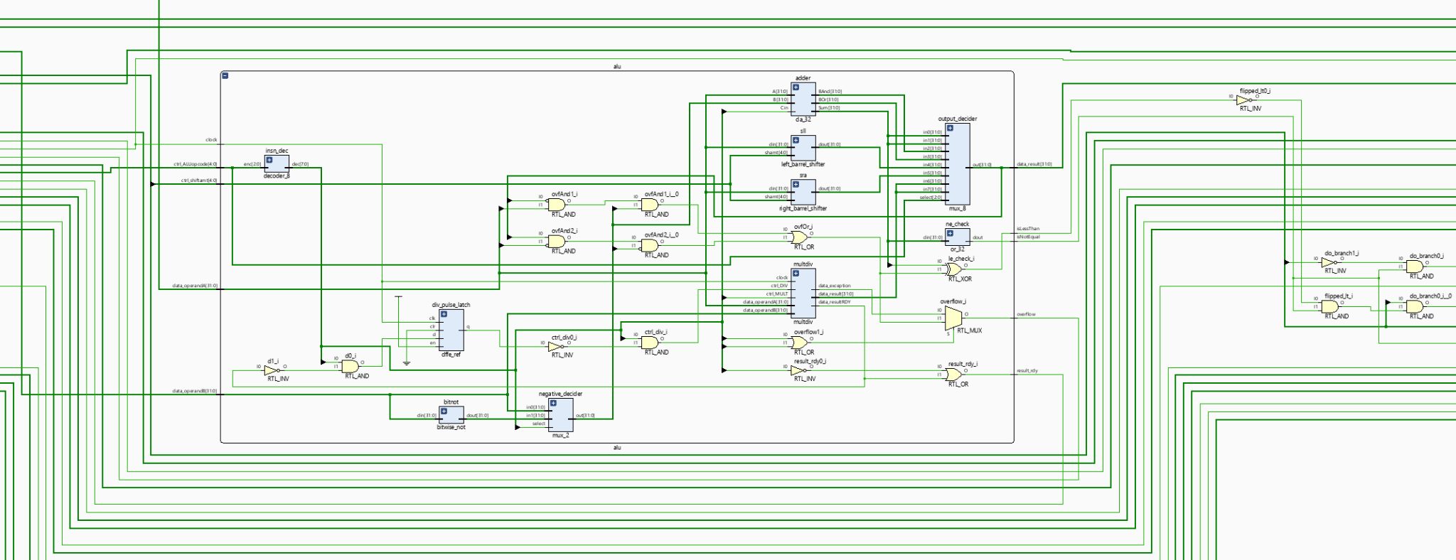
A MIPS-inspired CPU design with a 5-stage pipeline, all running at 50 MHz on an FPGA.
Research, implementation, and simulation of a machine learning-inspired branch predictor in microarchitecture.
A 2D graphics engine implemented in C++, complete with Shaders, Curves, and Meshes
Implementation of common operating systems features into the xv6 kernel
Travel chess set designed to fit in an altoids tin.
Top 40 submission to the 2023 GMTK Game Jam, developed in 48 hours